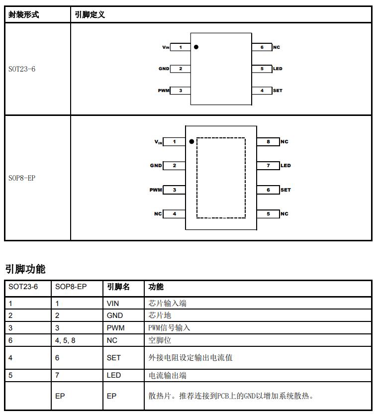
SLM411A 系列產品是用于產生單通道、高精度恒流源的 LED 驅動芯片,在各種 LED 照明產品中非常簡單易用。SLM411A 具有寬輸入電壓范圍、高輸出精度、超低 drop-out 壓降、卓越的線性/負載調整率等特性,從而確保在 MR16 燈、G4 燈、線條燈、發光字、廣告面板背光等應用中實現高品質照明驅動。大多數應用情況下,SLM411A僅需從SET到GND接 一個電阻即可設定輸出電流。此外,SLM241A還支持100Hz~20kHz頻率范圍內的PWM調光,且在100Hz條件下可實現1024:1的調光深度。SLM411A的過溫保護功能在芯片結溫達到135℃時,啟動線性降電流功能,從而在降低系統功耗的同時,不會造成LED閃爍。SLM411A的防靜電保護設計可以確保整個照明系統在設計、安裝及應用中的安全。
15mA-350mA電流輸出, 通過外部電阻可設定電流值
寬輸入電壓范圍: 4.5V至42V
100Hz到20kHz調光頻率
超低drop out壓降(20mA驅動時,低至300mV)
±5%輸出電流精度
電源及負載調變率0.1%/V


