


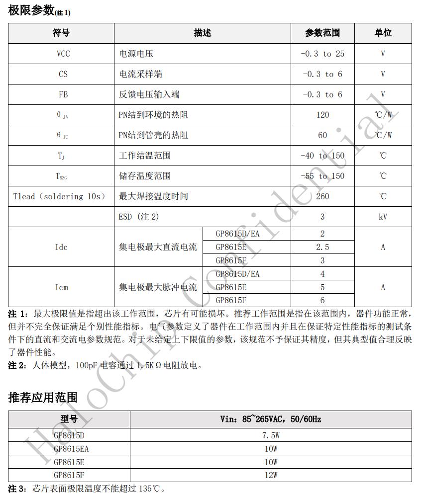
GP8615X是一款恒壓、恒流的原邊反饋QR導通控制芯片,適用于充電器和適配器。GP8615X采用特有的輸出線損補償技術,可以有效的補償輸出電流在輸出線上的損耗壓降。
GP8615X內置環路補償電路,無需外圍補償電路,系統具有良好的穩定性。GP8615X可以實現良好的恒壓、恒流特性,滿足待機功耗小于75mW。
GP8615X具有多重保護功能,包括開路保護,過壓保護,短路保護等功能。
GP8615X采用SOP8封裝
特點
原邊反饋控制恒壓、恒流精度高≦75mW待機功耗可調的輸出線損補償技術開路保護,過壓保護,欠壓保護,過溫保護,短路保護
應用
手機、無繩電話、PDA、MP3和其他便攜式設備的適配器、充電器LED驅動電源線性電源和RCC變換器升級換代




